Web Analytics Made Easy - Statcounter

W124 Instrument Cluster Wiring Diagram: Fix Your Mercedes’ Dashboard Mercedes w124 wiring diagrams

If you are searching about Mercedes W124 Wiring Diagrams - Car Electrical Wiring Diagram you've came to the right page. We have 25 Pics about Mercedes W124 Wiring Diagrams - Car Electrical Wiring Diagram like Mercedes W124 Wiring Diagrams - Car Electrical Wiring Diagram, Wiring Diagram Instrument Panel W124 - Wiring Diagram and Schematics and also W124 Instrument Cluster Plug Wire Locations - PeachParts Mercedes-Benz. Read more:

Mercedes W124 Wiring Diagrams - Car Electrical Wiring Diagram

Mercedes W124 Wiring Diagrams - Car Electrical Wiring Diagram car-diagrams.jimdofree.com

Mercedes W124 Wiring Diagrams - Car Electrical Wiring Diagram

Mercedes W124 Electrical Diagrams Mercedes W124 Wiring Diagr

Mercedes W124 Electrical Diagrams Mercedes W124 Wiring Diagr transepi0icircuit.z21.web.core.windows.net

Mercedes W124 Electrical Diagrams Mercedes W124 Wiring Diagr

Instrument Cluster Wiring Diagram Needed?: All Of The Wires Are

Instrument Cluster Wiring Diagram Needed?: All of the Wires Are www.2carpros.com

Instrument Cluster Wiring Diagram Needed?: All of the Wires Are ...

Wiring Diagram Instrument Panel W124 - Wiring Digital And Schematic

Wiring Diagram Instrument Panel W124 - Wiring Digital and Schematic www.wiringdigital.com

Wiring Diagram Instrument Panel W124 - Wiring Digital and Schematic

Mercedes Benz W124 230e Wiring Diagram - Wiring Diagram

Mercedes Benz W124 230e Wiring Diagram - Wiring Diagram www.organised-sound.com

Mercedes Benz W124 230e Wiring Diagram - Wiring Diagram

Wiring Diagram Instrument Panel W124 - Wiring Diagram And Schematics

Wiring Diagram Instrument Panel W124 - Wiring Diagram and Schematics www.caretxdigital.com

Wiring Diagram Instrument Panel W124 - Wiring Diagram and Schematics

W124 Instrument Cluster Plug Wire Locations - PeachParts Mercedes-Benz

W124 Instrument Cluster Plug Wire Locations - PeachParts Mercedes-Benz www.peachparts.com

W124 Instrument Cluster Plug Wire Locations - PeachParts Mercedes-Benz ...

Wiring Diagram Instrument Panel W124 - Wiring Diagram And Schematics

Wiring Diagram Instrument Panel W124 - Wiring Diagram and Schematics www.caretxdigital.com

Wiring Diagram Instrument Panel W124 - Wiring Diagram and Schematics

Mercedes W124 Wiring Diagram Download | Mercedes W124, Mercedes Benz

Mercedes w124 wiring diagram download | Mercedes w124, Mercedes benz www.pinterest.com.au

Mercedes w124 wiring diagram download | Mercedes w124, Mercedes benz ...

Mercedes W124 Wiring Diagrams - Car Electrical Wiring Diagram

Mercedes W124 Wiring Diagrams - Car Electrical Wiring Diagram car-diagrams.jimdofree.com

Mercedes W124 Wiring Diagrams - Car Electrical Wiring Diagram

Mercedes W124 Wiring Diagram Free #6 | Mercedes W124, Mercedes Benz

Mercedes w124 wiring diagram free #6 | Mercedes w124, Mercedes benz www.pinterest.com

Mercedes w124 wiring diagram free #6 | Mercedes w124, Mercedes benz ...

How To Repair Mercedes Benz W124 Instrument Cluster Gauge - YouTube

How To Repair Mercedes Benz W124 Instrument Cluster Gauge - YouTube www.youtube.com

How To Repair Mercedes Benz W124 Instrument Cluster Gauge - YouTube

Mercedes Wiring Diagrams: Q&A For W124 & W126 Models

Mercedes Wiring Diagrams: Q&A for W124 & W126 Models www.justanswer.com

Mercedes Wiring Diagrams: Q&A for W124 & W126 Models

Mercedes Benz W124 230E Wiring Diagram

Mercedes Benz W124 230E Wiring Diagram wireenginelogan123.s3-website-us-east-1.amazonaws.com

Mercedes Benz W124 230E Wiring Diagram

W124 E220 Engine Wiring Diagram - Wiring Diagram

W124 E220 Engine Wiring Diagram - Wiring Diagram wiringdiagram.2bitboer.com

W124 E220 Engine Wiring Diagram - Wiring Diagram

[DIAGRAM] Mercedes Benz W124 User Wiring Diagram - WIRINGSCHEMA.COM

[DIAGRAM] Mercedes Benz W124 User Wiring Diagram - WIRINGSCHEMA.COM wiringschema.com

[DIAGRAM] Mercedes Benz W124 User Wiring Diagram - WIRINGSCHEMA.COM

[DIAGRAM] Mercedes Benz W124 Wiring Diagram - WIRINGSCHEMA.COM

[DIAGRAM] Mercedes Benz W124 Wiring Diagram - WIRINGSCHEMA.COM wiringschema.com

[DIAGRAM] Mercedes Benz W124 Wiring Diagram - WIRINGSCHEMA.COM

Wiring Diagram Mercedes W124 - Wiring Diagram

Wiring Diagram Mercedes W124 - Wiring Diagram wiringdiagram.2bitboer.com

Wiring Diagram Mercedes W124 - Wiring Diagram

W124 Instrument Cluster Plug Wire Locations - PeachParts Mercedes-Benz

W124 Instrument Cluster Plug Wire Locations - PeachParts Mercedes-Benz www.peachparts.com

W124 Instrument Cluster Plug Wire Locations - PeachParts Mercedes-Benz ...

How To Easily Understand And Use A Mercedes Benz Wiring Diagram

How to Easily Understand and Use a Mercedes Benz Wiring Diagram design1systems.com

How to Easily Understand and Use a Mercedes Benz Wiring Diagram

[DIAGRAM] Mercedes Benz W124 Wiring Diagram Pdf - MYDIAGRAM.ONLINE

[DIAGRAM] Mercedes Benz W124 Wiring Diagram Pdf - MYDIAGRAM.ONLINE mydiagram.online

[DIAGRAM] Mercedes Benz W124 Wiring Diagram Pdf - MYDIAGRAM.ONLINE

Mercedes W124 Wiring Diagram Free #7 | Mercedes W124, Mercedes Benz

Mercedes w124 wiring diagram free #7 | Mercedes w124, Mercedes benz www.pinterest.co.uk

Mercedes w124 wiring diagram free #7 | Mercedes w124, Mercedes benz ...

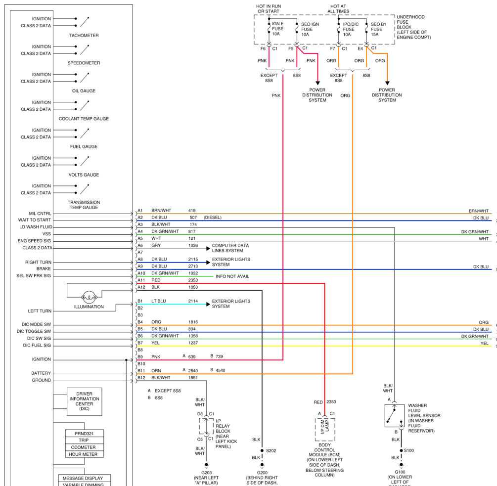
W124 Instrument Cluster Wiring Diagram - Best Loop

W124 Instrument Cluster Wiring Diagram - Best Loop best-loop.blogspot.com

W124 Instrument Cluster Wiring Diagram - Best Loop

W124 Instrument Cluster Wiring Diagram - Best Loop

W124 Instrument Cluster Wiring Diagram - Best Loop best-loop.blogspot.com

W124 Instrument Cluster Wiring Diagram - Best Loop

Help - Dashboard Light Replacement - MBWorld.org Forums

Help - Dashboard light replacement - MBWorld.org Forums mbworld.org

Help - Dashboard light replacement - MBWorld.org Forums

instrument cluster wiring diagram needed?: all of the wires are .... [diagram] mercedes benz w124 user wiring diagram. mercedes w124 wiring diagrams