Web Analytics Made Easy - Statcounter

Volvo 240 Stereo Wiring Diagram: Upgrade Your Car’s Sound System [diagram] 1990 volvo 240 radio wiring diagram

If you are looking for 💫 Volvo Wiring Diagrams 240 ⭐⭐⭐⭐⭐ you've visit to the right web. We have 25 Pictures about 💫 Volvo Wiring Diagrams 240 ⭐⭐⭐⭐⭐ like The Ultimate Guide to Volvo 240 Radio Wiring Diagrams, A Complete Guide to Volvo 240 Radio Wiring Diagrams and also How to Understand and Follow the Volvo 240 Wiring Diagram. Here you go:

💫 Volvo Wiring Diagrams 240 ⭐⭐⭐⭐⭐

💫 Volvo Wiring Diagrams 240 ⭐⭐⭐⭐⭐ childishthoghts-childishthoughts.blogspot.com

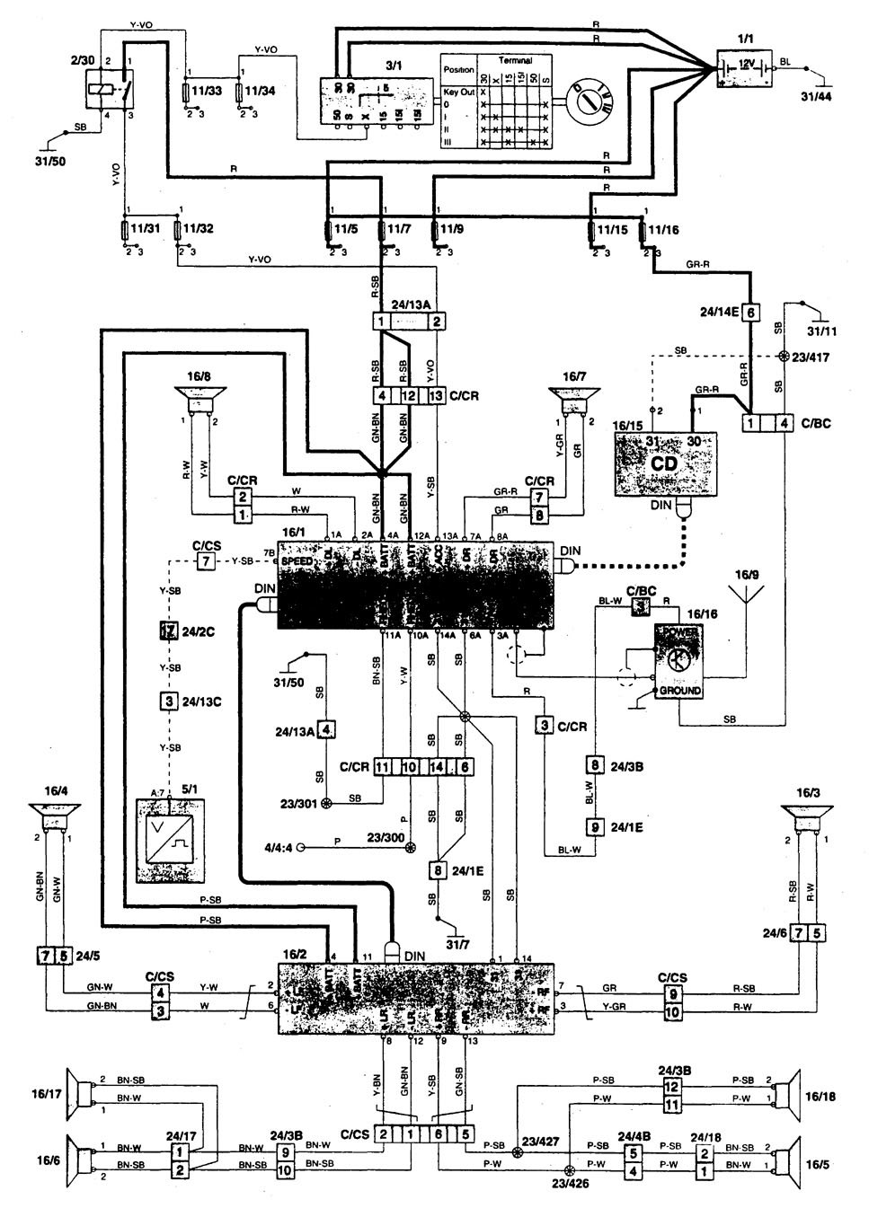
All Wiring Diagrams For Volvo 240 DL 1990 Model – Wiring Diagrams For Cars

All Wiring Diagrams for Volvo 240 DL 1990 model – Wiring diagrams for cars portal-diagnostov.com

Car Stereo Wiring Diagram And Color Codes - Wiring Draw And Schematic

Car Stereo Wiring Diagram And Color Codes - Wiring Draw And Schematic www.wiringdraw.com

Volvo V50 Stereo Wiring Diagram - Wiring How

Volvo V50 Stereo Wiring Diagram - Wiring How www.wiringhow.com

How To Wire An EQ And Crossover For Car Audio + Diagrams And More!

How To Wire An EQ And Crossover For Car Audio + Diagrams And More! soundcertified.com

Volvo 240 Radio Wiring Diagram

Volvo 240 Radio Wiring Diagram buyeagleaspendtv4x815887.blogspot.com

volvo consumer

How To Understand And Follow The Volvo 240 Wiring Diagram

How to Understand and Follow the Volvo 240 Wiring Diagram electraschematics.com

Wiring Diagram Car Stereo System - Circuit Diagram

Wiring Diagram Car Stereo System - Circuit Diagram www.circuitdiagram.co

[DIAGRAM] 1990 Volvo 240 Radio Wiring Diagram - MYDIAGRAM.ONLINE

[DIAGRAM] 1990 Volvo 240 Radio Wiring Diagram - MYDIAGRAM.ONLINE mydiagram.online

[DIAGRAM] 1990 Volvo 240 Stereo Wiring Diagram - MYDIAGRAM.ONLINE

[DIAGRAM] 1990 Volvo 240 Stereo Wiring Diagram - MYDIAGRAM.ONLINE mydiagram.online

Step-by-Step Guide: Car Audio Wiring Diagram Explained

Step-by-Step Guide: Car Audio Wiring Diagram Explained kdi-ppi.com

Volvo 240 Radio Wiring Diagram

Volvo 240 Radio Wiring Diagram circuitsilharetzyte.z21.web.core.windows.net

A Complete Guide To Volvo 240 Radio Wiring Diagrams

A Complete Guide to Volvo 240 Radio Wiring Diagrams design1systems.com

[DIAGRAM] 1990 Volvo 240 Stereo Wiring Diagram - MYDIAGRAM.ONLINE

[DIAGRAM] 1990 Volvo 240 Stereo Wiring Diagram - MYDIAGRAM.ONLINE mydiagram.online

The Ultimate Guide To Volvo 240 Radio Wiring Diagrams

The Ultimate Guide to Volvo 240 Radio Wiring Diagrams schempal.com

Typical Car Stereo Wiring Diagram

Typical Car Stereo Wiring Diagram wiringdiagramall.blogspot.com

wiring stereo diagrams duster schematic schema codes iso ingnition connectors dacia antenna

Volvo 240 Stereo Wiring Diagram - Chic Art

Volvo 240 Stereo Wiring Diagram - Chic Art chic-art1.blogspot.com

[DIAGRAM] 1990 Volvo 240 Stereo Wiring Diagram - MYDIAGRAM.ONLINE

[DIAGRAM] 1990 Volvo 240 Stereo Wiring Diagram - MYDIAGRAM.ONLINE mydiagram.online

How To Wire A Center Channel Speaker: A Comprehensive Diagram

How to Wire a Center Channel Speaker: A Comprehensive Diagram electraschematics.com

A Complete Guide To Volvo 240 Radio Wiring Diagrams

A Complete Guide to Volvo 240 Radio Wiring Diagrams design1systems.com

Volvo 240 Stereo Installation Upgrade And Speakers - YouTube

Volvo 240 stereo installation upgrade and speakers - YouTube www.youtube.com

volvo 240 stereo speakers upgrade

1989 Volvo 240 Radio Wiring Diagram - Wiring Diagram And Schematics

1989 volvo 240 radio wiring diagram - Wiring Diagram and Schematics www.caretxdigital.com

Volvo 240 Stereo Wiring Diagram

Volvo 240 Stereo Wiring Diagram ostiagzxlibguide.z14.web.core.windows.net

Speaker Wire Diagram Car Stereo - Wiring Digital And Schematic

Speaker Wire Diagram Car Stereo - Wiring Digital and Schematic www.wiringdigital.com

Aftermarket Car Sound System Wire Setup Diagrams

Aftermarket Car Sound System Wire Setup Diagrams fixenginejonelle.z21.web.core.windows.net

How to wire an eq and crossover for car audio + diagrams and more!. [diagram] 1990 volvo 240 stereo wiring diagram. Volvo 240 stereo wiring diagram