Web Analytics Made Easy - Statcounter

Transmission Fixes: 2003 Chevy Silverado Neutral Safety! 2003 chevy silverado neutral safety switch wiring diagram

If you are searching about Neutral Safety Switch Location: Q&A for Chevy Tahoe, Silverado you've visit to the right page. We have 25 Pictures about Neutral Safety Switch Location: Q&A for Chevy Tahoe, Silverado like 2003 Chevy Silverado Neutral Safety Switch Wiring Diagram - Wiring Diagram, 2003 Chevy Silverado Neutral Safety Switch Wiring Diagram - Wiring Diagram and also 2003 Chevy Silverado Neutral Safety Switch Wiring Diagram - Wiring Diagram. Here you go:

Neutral Safety Switch Location: Q&A For Chevy Tahoe, Silverado

Neutral Safety Switch Location: Q&A for Chevy Tahoe, Silverado www.justanswer.com

switch neutral safety location located chevy tahoe transmission 2001 ford where 2005 escape chevrolet 2003 bolts 2010 pretty easy cargurus

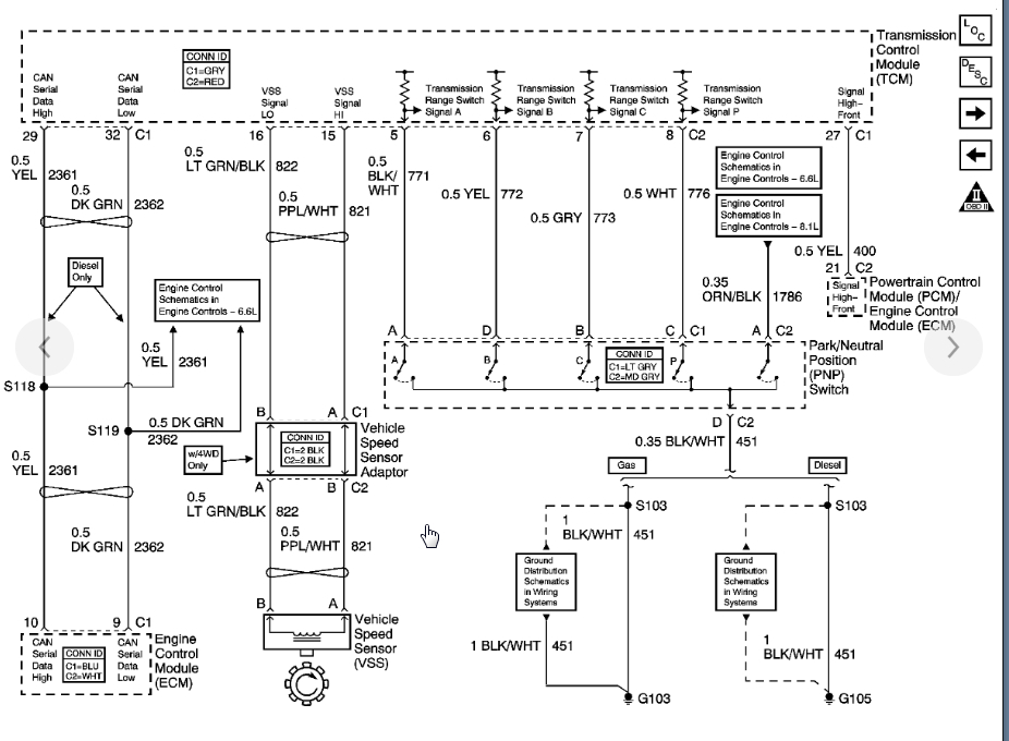
2003 Chevy Silverado Neutral Safety Switch Wiring Diagram

2003 Chevy Silverado Neutral Safety Switch Wiring Diagram www.circuitdiagram.co

Chevy Neutral Safety Switch Installation

Chevy Neutral Safety Switch Installation aworldofpaperuc0guidefix.z13.web.core.windows.net

2003 Chevy Silverado Neutral Safety Switch Wiring Diagram - Wiring Diagram

2003 Chevy Silverado Neutral Safety Switch Wiring Diagram - Wiring Diagram wiringdiagram.2bitboer.com

A Comprehensive Guide To Chevy Neutral Safety Switch Wiring

A Comprehensive Guide to Chevy Neutral Safety Switch Wiring schempal.com

2003 Chevy Silverado Neutral Safety Switch Wiring Diagram

2003 Chevy Silverado Neutral Safety Switch Wiring Diagram www.circuitdiagram.co

Neutral Safety Switch Wiring Diagram Chevy

Neutral Safety Switch Wiring Diagram Chevy enginelibunhouseled.z21.web.core.windows.net

2003 Chevy Silverado Neutral Safety Switch Wiring Diagram - Wiring Diagram

2003 Chevy Silverado Neutral Safety Switch Wiring Diagram - Wiring Diagram wiringdiagram.2bitboer.com

2003 Chevy Silverado Neutral Safety Switch Wiring Diagram - Wiring Diagram

2003 Chevy Silverado Neutral Safety Switch Wiring Diagram - Wiring Diagram wiringdiagram.2bitboer.com

Find For 1999-2003 Chevy GMC SILVERADO SIERRA YUKON Neutral Safety

Find For 1999-2003 Chevy GMC SILVERADO SIERRA YUKON Neutral Safety www.2040-parts.com

2003 Chevy Silverado Neutral Safety Switch Wiring Diagram

2003 Chevy Silverado Neutral Safety Switch Wiring Diagram www.circuitdiagram.co

2003 Chevy Silverado Neutral Safety Switch Wiring Diagram - Wiring Diagram

2003 Chevy Silverado Neutral Safety Switch Wiring Diagram - Wiring Diagram wiringdiagram.2bitboer.com

2003 Chevy Silverado Neutral Safety Switch Wiring Diagram - Wiring Diagram

2003 Chevy Silverado Neutral Safety Switch Wiring Diagram - Wiring Diagram wiringdiagram.2bitboer.com

silverado wiring 2003

Amazon.com: Marketplace Auto Parts Neutral Safety Switch - Compatible

Amazon.com: Marketplace Auto Parts Neutral Safety Switch - Compatible www.amazon.com

2003 Chevy Silverado Neutral Safety Switch Wiring Diagram - Wiring Diagram

2003 Chevy Silverado Neutral Safety Switch Wiring Diagram - Wiring Diagram wiringdiagram.2bitboer.com

neutral chevy silverado 2003 wiring

2003 Chevy Silverado Neutral Safety Switch Wiring Diagram - Homemadeal

2003 Chevy Silverado Neutral Safety Switch Wiring Diagram - Homemadeal homemadeal.blogspot.com

2003 Chevy Silverado Neutral Safety Switch Wiring Diagram - Wiring Diagram

2003 Chevy Silverado Neutral Safety Switch Wiring Diagram - Wiring Diagram wiringdiagram.2bitboer.com

Neutral Safety Switch Connector - Compatible With 1999 - 2003 Chevy

Neutral Safety Switch Connector - Compatible with 1999 - 2003 Chevy www.walmart.com

2003 Chevy Silverado Neutral Safety Switch Wiring Diagram

2003 Chevy Silverado Neutral Safety Switch Wiring Diagram www.circuitdiagram.co

How To Replace Neutral Safety Switch 1999-2006 Chevrolet Silverado 1500

How to Replace Neutral Safety Switch 1999-2006 Chevrolet Silverado 1500 www.youtube.com

2003 Chevy Silverado Neutral Safety Switch Wiring Diagram - Wiring Diagram

2003 Chevy Silverado Neutral Safety Switch Wiring Diagram - Wiring Diagram wiringdiagram.2bitboer.com

2005 Chevy Silverado Neutral Safety Switch Wiring Diagram - Circuit Diagram

2005 Chevy Silverado Neutral Safety Switch Wiring Diagram - Circuit Diagram www.circuitdiagram.co

For Chevrolet Silverado 1500 LS 2003 Neutral Safety Switch Connector

For Chevrolet Silverado 1500 LS 2003 Neutral Safety Switch Connector www.ebay.com

Find For 1999-2003 Chevy GMC SILVERADO SIERRA YUKON Neutral Safety

Find For 1999-2003 Chevy GMC SILVERADO SIERRA YUKON Neutral Safety www.2040-parts.com

2003 Chevy Silverado Neutral Safety Switch Wiring Diagram - Wiring Diagram

2003 Chevy Silverado Neutral Safety Switch Wiring Diagram - Wiring Diagram wiringdiagram.2bitboer.com

neutral wiring chevy silverado 2003

2003 chevy silverado neutral safety switch wiring diagram. 2003 chevy silverado neutral safety switch wiring diagram. Neutral chevy silverado 2003 wiring