Web Analytics Made Easy - Statcounter

Snapper Z Rider Wiring Diagram: Keep Your Lawn Mower Running Smoothly Zeroturn riding lawn mowers snapper

If you are looking for Snapper Rear Engine Rider Wiring Diagram you've visit to the right page. We have 25 Images about Snapper Rear Engine Rider Wiring Diagram like How to Read and Understand a Snapper Rider Wiring Diagram, Wiring Diagram For Snapper Riding Lawn Mower and also Wiring Diagram For A Snapper Riding Lawn Mower - Wiring Diagram. Here it is:

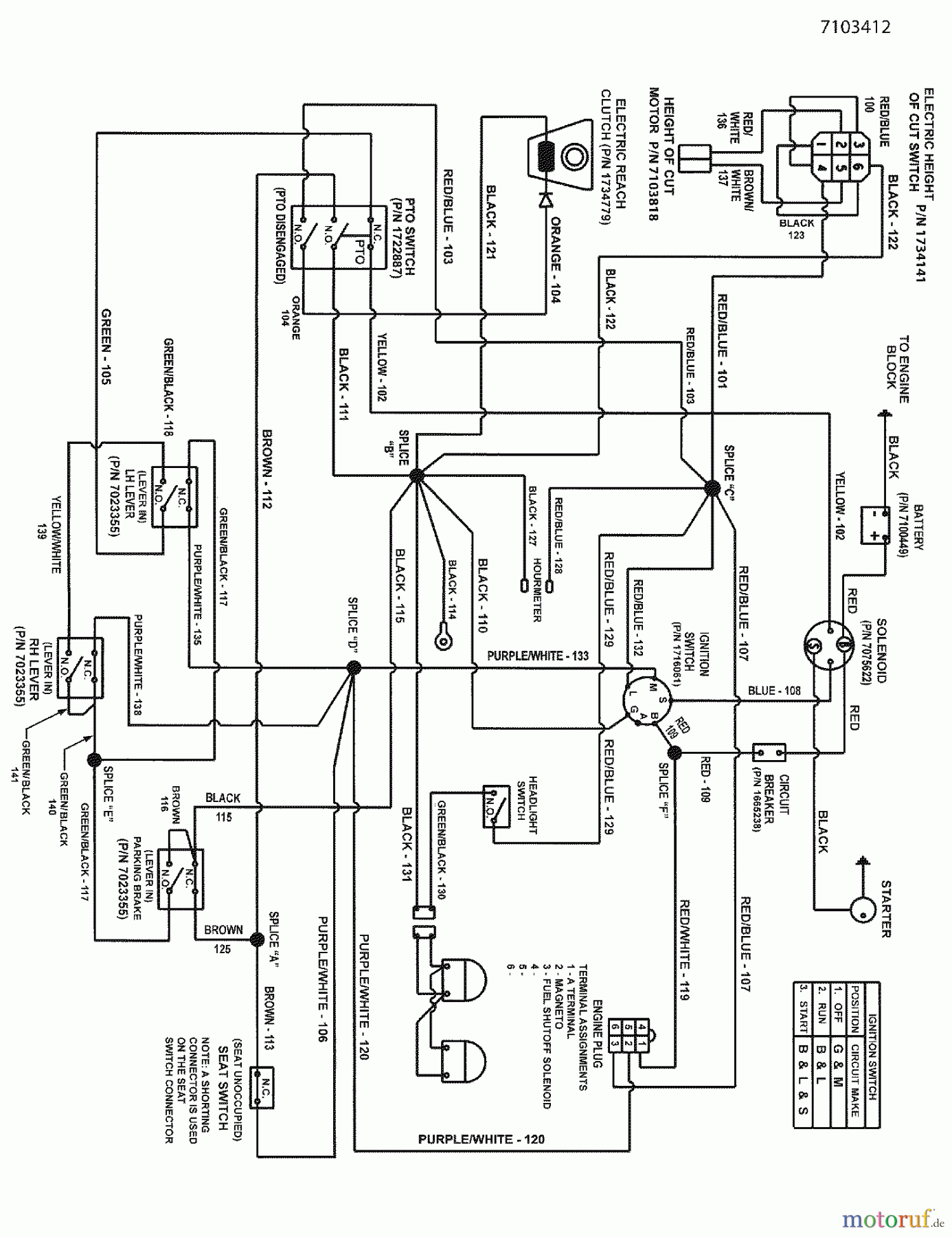
Snapper Rear Engine Rider Wiring Diagram

Snapper Rear Engine Rider Wiring Diagram wiringall.com

wiring snapper diagram rear engine rider hp schematic series parts model shipping ebay service great available buy diagrams

Snapper Z Rider Wiring Diagram - Wiring Diagram

Snapper Z Rider Wiring Diagram - Wiring Diagram wiringdiagram.2bitboer.com

snapper wiring schematic kawasaki mower turn

Wiring Diagrams Snapper Riding Lawn Mower - Wiring Diagram

Wiring Diagrams Snapper Riding Lawn Mower - Wiring Diagram wiringdiagram.2bitboer.com

Wiring Diagram Snapper 2690645

Wiring Diagram Snapper 2690645 wiringall.com

snapper wiring diagram mowers starting zt literature shown pack group not wiringall

How To Read And Understand A Snapper Rider Wiring Diagram

How to Read and Understand a Snapper Rider Wiring Diagram schempal.com

Snapper YZ 16424 BVE (84890) - Snapper Yard Cruiser 42" Zero-Turn Mower

Snapper YZ 16424 BVE (84890) - Snapper Yard Cruiser 42" Zero-Turn Mower www.partstree.com

Snapper Z Rider Wiring Diagram - Wiring Diagram

Snapper Z Rider Wiring Diagram - Wiring Diagram wiringdiagram.2bitboer.com

Wiring Diagram For A Snapper Riding Lawn Mower - Wiring Diagram

Wiring Diagram For A Snapper Riding Lawn Mower - Wiring Diagram wiringdiagram.2bitboer.com

Snapper Riding Lawn Mower Wiring Diagram

Snapper Riding Lawn Mower Wiring Diagram diagramweb.net

snapper mower riding engine rear diagram wiring lawn rider hp parts model genuine old lis searspartsdirect pldm sears sold have

Snapper Z Rider Wiring Diagram - Wiring Diagram

Snapper Z Rider Wiring Diagram - Wiring Diagram wiringdiagram.2bitboer.com

Wiring Diagram For A Snapper Riding Lawn Mower - Wiring Diagram

Wiring Diagram For A Snapper Riding Lawn Mower - Wiring Diagram wiringdiagram.2bitboer.com

Zeroturn Riding Lawn Mowers Snapper

Zeroturn Riding Lawn Mowers Snapper fity.club

Understanding The Snapper Mower Electrical Diagram: A Comprehensive Guide

Understanding the Snapper Mower Electrical Diagram: A Comprehensive Guide design1systems.com

Guide To Snapper Z Rider Belt Diagrams

Guide to Snapper Z Rider Belt Diagrams elecsprout.com

Snapper Z Turn Wiring Diagrams - Thaimetera Asahi

Snapper Z Turn Wiring Diagrams - Thaimetera Asahi thaimetera-asahi.blogspot.com

Wiring Schematic For Snapper Riding Mower - Wiring Flow Schema

Wiring Schematic For Snapper Riding Mower - Wiring Flow Schema www.flowschema.com

Wiring Diagrams Snapper Riding Lawn Mower - Wiring Diagram

Wiring Diagrams Snapper Riding Lawn Mower - Wiring Diagram wiringdiagram.2bitboer.com

Snapper Z Rider Wiring Diagram - Wiring Diagram

Snapper Z Rider Wiring Diagram - Wiring Diagram wiringdiagram.2bitboer.com

snapper wiring

[DIAGRAM] Murray Rider Wiring Diagram - MYDIAGRAM.ONLINE

[DIAGRAM] Murray Rider Wiring Diagram - MYDIAGRAM.ONLINE mydiagram.online

Snapper Lawn Mower Belt Diagram

Snapper Lawn Mower Belt Diagram axiom-northwest.com

How To Read And Understand A Snapper Rider Wiring Diagram

How to Read and Understand a Snapper Rider Wiring Diagram schempal.com

Snapper Z Rider Wiring Diagram - Wiring Diagram

Snapper Z Rider Wiring Diagram - Wiring Diagram wiringdiagram.2bitboer.com

snapper wiring

Wiring Diagram For Snapper Riding Mower Database

Wiring Diagram For Snapper Riding Mower Database www.got2bwireless.com

Wiring Diagram For Snapper Riding Lawn Mower

Wiring Diagram For Snapper Riding Lawn Mower diagramweb.net

snapper wiring diagram mower riding lawn parts series

Snapper Z Rider Wiring Diagram - Wiring Diagram

Snapper Z Rider Wiring Diagram - Wiring Diagram wiringdiagram.2bitboer.com

snapper mower

Snapper rear engine rider wiring diagram. Wiring diagrams snapper riding lawn mower. How to read and understand a snapper rider wiring diagram