Web Analytics Made Easy - Statcounter

2009 Toyota Camry Wiring Diagram: Simplify Your Repairs! Camry toyota wiring electrical hazard alternator car corolla

If you are searching about TOYOTA CAMRY Wiring Diagrams - Car Electrical Wiring Diagram you've came to the right web. We have 25 Pics about TOYOTA CAMRY Wiring Diagrams - Car Electrical Wiring Diagram like 2009 Toyota Camry Electrical Wiring Diagrams Original Factory Manual, 2009 Toyota Camry Wiring Diagram - Knit Bay and also 2009 Toyota Camry Wiring Diagram. Here you go:

TOYOTA CAMRY Wiring Diagrams - Car Electrical Wiring Diagram

TOYOTA CAMRY Wiring Diagrams - Car Electrical Wiring Diagram car-diagrams.jimdofree.com

camry wiring diagrams headlight jimcdn wire 1994 aquastat auto history

2009 Toyota Camry Hybrid Wiring Diagram Manual Original

2009 Toyota Camry Hybrid Wiring Diagram Manual Original www.faxonautoliterature.com

toyota wiring diagram camry manual original hybrid 2008 2010 2009 2006 cruiser land faxonautoliterature

2009 Toyota Camry Wiring Diagram Manual Original

2009 Toyota Camry Wiring Diagram Manual Original www.faxonautoliterature.com

camry diagram toyota 2009 wiring cruiser manual original land 2010

2009 Toyota Camry Wiring Diagram

2009 Toyota Camry Wiring Diagram ar.inspiredpencil.com

2009 Toyota Camry Wiring Diagram - Knit Bay

2009 Toyota Camry Wiring Diagram - Knit Bay knit-bay.blogspot.com

2009 Toyota Camry Wiring Diagram

2009 Toyota Camry Wiring Diagram ar.inspiredpencil.com

2001 Toyota Camry Alternator Wiring Diagram - Wiring Diagram

2001 Toyota Camry Alternator Wiring Diagram - Wiring Diagram wiringdiagram.2bitboer.com

Toyota Camry Electrical Wiring Diagram

Toyota Camry Electrical Wiring Diagram stewart-switch.com

2009 Toyota Camry Wiring Diagram

2009 Toyota Camry Wiring Diagram ar.inspiredpencil.com

Toyota Camry Wiring Diagram Collection - Faceitsalon.com

Toyota Camry Wiring Diagram Collection - Faceitsalon.com faceitsalon.com

camry

2009 Toyota Camry Wiring Diagram

2009 Toyota Camry Wiring Diagram ar.inspiredpencil.com

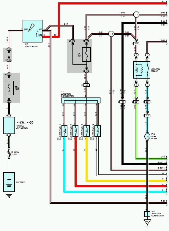
2009 Toyota Camry Wiring Diagram

2009 Toyota Camry Wiring Diagram animaux-sante.blogspot.com

wiring 2009 toyota electrical diagrams corolla 2010 diagram

[DIAGRAM] 201toyota Camry Hybrid Wiring Diagram Original - MYDIAGRAM.ONLINE

[DIAGRAM] 201toyota Camry Hybrid Wiring Diagram Original - MYDIAGRAM.ONLINE mydiagram.online

Free Toyota Wiring Diagrams

Free Toyota Wiring Diagrams enginelibfibromas.z21.web.core.windows.net

2009 Toyota Camry Wiring Diagram

2009 Toyota Camry Wiring Diagram ar.inspiredpencil.com

Toyota Camry 2020 Electrical Wiring Diagram

Toyota Camry 2020 Electrical Wiring Diagram autoepcservice.com

2009 Toyota Camry Wiring Diagram - Knit Bay

2009 Toyota Camry Wiring Diagram - Knit Bay knit-bay.blogspot.com

2009 Toyota Camry Wiring Diagram

2009 Toyota Camry Wiring Diagram ar.inspiredpencil.com

2009 Toyota Camry Wiring Diagram

2009 Toyota Camry Wiring Diagram ar.inspiredpencil.com

Toyota Camry Electrical Wiring Diagram

Toyota Camry Electrical Wiring Diagram samyrarft.pages.dev

2009 Toyota Camry Electrical Wiring Diagrams Original Factory Manual

2009 Toyota Camry Electrical Wiring Diagrams Original Factory Manual www.factoryrepairmanuals.com

2009 Toyota Camry Wiring Diagram - Knit Bay

2009 Toyota Camry Wiring Diagram - Knit Bay knit-bay.blogspot.com

Toyota Camry Wiring Diagram Pdf

Toyota Camry Wiring Diagram Pdf schematiclibrarytyrone.z21.web.core.windows.net

TOYOTA CAMRY Wiring Diagrams - Car Electrical Wiring Diagram

TOYOTA CAMRY Wiring Diagrams - Car Electrical Wiring Diagram car-diagrams.jimdofree.com

camry toyota wiring electrical hazard alternator car corolla

2009 Toyota Camry Wiring Diagram

2009 Toyota Camry Wiring Diagram ar.inspiredpencil.com

Toyota camry 2020 electrical wiring diagram. Toyota camry electrical wiring diagram. 2009 toyota camry wiring diagram