Web Analytics Made Easy - Statcounter

2003 Chevy Cavalier Ignition Wiring: Fix Your Car’s Starting System 04 cavalier ignition wiring diagram

If you are looking for 2003 Chevy Cavalier Engine Diagram : Part 1 How To Test The Gm 2 2l you've came to the right place. We have 25 Pictures about 2003 Chevy Cavalier Engine Diagram : Part 1 How To Test The Gm 2 2l like Exploring the Inner Workings of a 2003 Chevy Cavalier's Ignition: An, 2003 Chevy Cavalier Ignition Wiring Diagram - Homemadeal and also A Visual Guide to 2003 Chevy Cavalier Parts. Read more:

2003 Chevy Cavalier Engine Diagram : Part 1 How To Test The Gm 2 2l

2003 Chevy Cavalier Engine Diagram : Part 1 How To Test The Gm 2 2l popdiy31.blogspot.com

cavalier cargurus libraries dealer

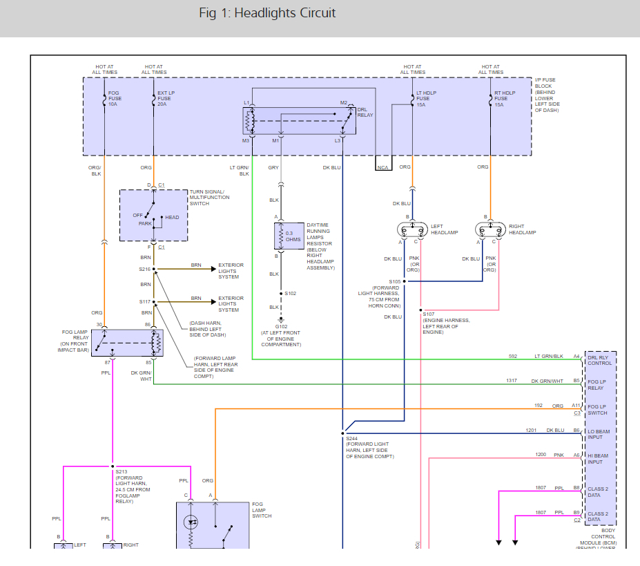
2003 Chevy Cavalier Ignition Wiring Diagram / Solved 04 Cavalier

2003 Chevy Cavalier Ignition Wiring Diagram / Solved 04 Cavalier s10-wiring-diagram.blogspot.com

cavalier cargurus

2003 Chevy Cavalier Wiring Diagram : 2003 Chevy Cavalier Pcm Wiring

2003 Chevy Cavalier Wiring Diagram : 2003 Chevy Cavalier Pcm Wiring diyburbank.blogspot.com

wiring chevy cargurus cavalier

1998 Chevy Cavalier Ignition Wiring Diagram - Circuit Diagram

1998 Chevy Cavalier Ignition Wiring Diagram - Circuit Diagram www.circuitdiagram.co

Cavalier Ignition Switch Diagram 2003 Cavalier Wiring Diagra

Cavalier Ignition Switch Diagram 2003 Cavalier Wiring Diagra scengannyu0dlibguide.z14.web.core.windows.net

2002 Chevy Cavalier Ignition Switch Wiring Diagram

2002 Chevy Cavalier Ignition Switch Wiring Diagram www.circuitdiagram.co

2003 Chevy Cavalier Pcm Wiring Diagram / 30 2004 Chevy Cavalier

2003 Chevy Cavalier Pcm Wiring Diagram / 30 2004 Chevy Cavalier ziladika.blogspot.com

chevy cavalier wiring pcm cargurus

04 Cavalier Ignition Wiring Diagram - Wiring Diagram

04 Cavalier Ignition Wiring Diagram - Wiring Diagram wiringdiagram.2bitboer.com

cavalier ignition malibu

Chevy Cavalier Alternator Wiring Diagrams

Chevy Cavalier Alternator Wiring Diagrams wirelibraryhalfling.z14.web.core.windows.net

[DIAGRAM] Chevy Cavalier Wiring Diagrams - MYDIAGRAM.ONLINE

[DIAGRAM] Chevy Cavalier Wiring Diagrams - MYDIAGRAM.ONLINE mydiagram.online

Exploring The Inner Workings Of A 2003 Chevy Cavalier's Ignition: An

Exploring the Inner Workings of a 2003 Chevy Cavalier's Ignition: An carschematics.com

2004 Chevy Cavalier Ignition Wiring Diagrams

2004 Chevy Cavalier Ignition Wiring Diagrams userdatabedevilled.z22.web.core.windows.net

2003 Chevy Cavalier Ignition Wiring Diagram - ChevyWiringDiagram.com

2003 Chevy Cavalier Ignition Wiring Diagram - ChevyWiringDiagram.com www.chevywiringdiagram.com

Exploring The Inner Workings Of A 2003 Chevy Cavalier's Ignition: An

Exploring the Inner Workings of a 2003 Chevy Cavalier's Ignition: An carschematics.com

2003 Chevy 1500 Ignition Switch Wiring Diagram » Wiring Diagram

2003 Chevy 1500 Ignition Switch Wiring Diagram » Wiring Diagram www.organised-sound.com

2003 Chevy Cavalier Ignition Wiring Diagram / 2001 Chevy Cavalier

2003 Chevy Cavalier Ignition Wiring Diagram / 2001 Chevy Cavalier ex500-wiring-diagram.blogspot.com

cavalier wiring ignition 2carpros fuses

Trying For About 3 Weeks To Fix This Car/starter - Main Issue: 5 Wires

Trying for about 3 weeks to fix this car/starter - main issue: 5 wires community.cartalk.com

A Visual Guide To 2003 Chevy Cavalier Parts

A Visual Guide to 2003 Chevy Cavalier Parts carschematics.com

2003 Chevy Cavalier Ignition Wiring Diagram - Homemadeal

2003 Chevy Cavalier Ignition Wiring Diagram - Homemadeal homemadeal.blogspot.com

Wiring Diagram Chevy Cavalier 2003 - Wiring Diagram

Wiring Diagram Chevy Cavalier 2003 - Wiring Diagram wiringdiagram.2bitboer.com

04 Cavalier Ignition Wiring Diagram - Wiring Diagram

04 Cavalier Ignition Wiring Diagram - Wiring Diagram wiringdiagram.2bitboer.com

2003 Chevy Cavalier Ignition Wiring Diagram / 2001 Chevy Cavalier

2003 Chevy Cavalier Ignition Wiring Diagram / 2001 Chevy Cavalier ex500-wiring-diagram.blogspot.com

wiring

2000 Chevy Cavalier Ignition Switch Wiring Diagram - Circuit Diagram

2000 Chevy Cavalier Ignition Switch Wiring Diagram - Circuit Diagram www.circuitdiagram.co

2003 Chevy Cavalier Wiring Diagram : 2003 Chevy Cavalier Pcm Wiring

2003 Chevy Cavalier Wiring Diagram : 2003 Chevy Cavalier Pcm Wiring diyburbank.blogspot.com

diagram cavalier justanswer alternator

Cavalier Headlight Ground Wire

Cavalier Headlight Ground Wire manualdataunshamed.z21.web.core.windows.net

2004 chevy cavalier ignition wiring diagrams. 04 cavalier ignition wiring diagram. Exploring the inner workings of a 2003 chevy cavalier's ignition: an