Web Analytics Made Easy - Statcounter

2000 Chevy Silverado 1500 Headlight Wiring: Illuminate Your Truck’s Path Aftermarket 2000 chevy silverado 1500 headlights custom led headlights

If you are searching about 2002 Chevy Silverado Headlight Wiring Diagram you've came to the right web. We have 25 Pictures about 2002 Chevy Silverado Headlight Wiring Diagram like 2000 Chevy Silverado 1500 Headlight Wiring Diagram - Yarn Aid, 2000 Chevy Silverado 1500 Wiring Diagram » Wiring Diagram and also Amazon.com: AUTOSAVER88 Headlight Assembly Compatible with 1999-2002. Here you go:

2002 Chevy Silverado Headlight Wiring Diagram

2002 Chevy Silverado Headlight Wiring Diagram stewart-switch.com

Easy-to-Follow 2000 Silverado Stereo Wiring Diagram For Upgrading Your

Easy-to-Follow 2000 Silverado Stereo Wiring Diagram for Upgrading Your techdiagrammer.com

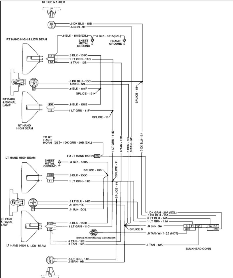
2000 Silverado Headlight Wiring Diagram

2000 Silverado Headlight Wiring Diagram www.circuitdiagram.co

20 New 2000 Chevy Silverado Headlight Wiring Diagram

20 New 2000 Chevy Silverado Headlight Wiring Diagram fjelloghjem.blogspot.com

wiring plow diagram snow lights meyers meyer headlight diagrams module harness chevy silverado info 2000 changeover plug schematic modules ram

Wiring Diagram For 2000 Chevy Silverado 1500 - Diagram Board

wiring diagram for 2000 chevy silverado 1500 - Diagram Board www.diagramboard.com

Chevy Silverado 1500 Wiring Diagram

Chevy Silverado 1500 Wiring Diagram schematicausmagernd9.z14.web.core.windows.net

2000 Chevy Silverado 1500 Headlight Wiring Diagram - Yarn Aid

2000 Chevy Silverado 1500 Headlight Wiring Diagram - Yarn Aid yarn-aid.blogspot.com

Headlight Leveling Switch Wiring Silverado Light Wiring Diag

Headlight Leveling Switch Wiring Silverado Light Wiring Diag jesusmauryl1ulibguide.z14.web.core.windows.net

2000 Chevy Silverado 1500 Stereo Wiring Diagram

2000 Chevy Silverado 1500 Stereo Wiring Diagram stewart-switch.com

All Wiring Diagrams For Chevrolet Silverado 2000 1500 Model – Wiring

All Wiring Diagrams for Chevrolet Silverado 2000 1500 model – Wiring portal-diagnostov.com

Headlight Wiring Diagram 98 Chevy K1500 2000 Chevy Silverado

Headlight Wiring Diagram 98 Chevy K1500 2000 Chevy Silverado afuerzassu78guidefix.z14.web.core.windows.net

2000 Chevy Silverado 1500 Headlight Wiring Diagram - Circuit Diagram

2000 Chevy Silverado 1500 Headlight Wiring Diagram - Circuit Diagram www.circuitdiagram.co

Aftermarket 2000 Chevy Silverado 1500 Headlights Custom Led Headlights

Aftermarket 2000 Chevy Silverado 1500 Headlights Custom Led Headlights www.morsunoffroad.com

Headlight Wiring | Chevy Silverado And GMC Sierra Forum

Headlight Wiring | Chevy Silverado and GMC Sierra Forum www.silveradosierra.com

Amazon.com: AUTOSAVER88 Headlight Assembly Compatible With 1999-2002

Amazon.com: AUTOSAVER88 Headlight Assembly Compatible with 1999-2002 www.amazon.com

2000 Chevy Silverado 1500 Wiring Diagram » Wiring Diagram

2000 Chevy Silverado 1500 Wiring Diagram » Wiring Diagram www.wiringview.com

2000 Chevy Silverado 1500 Headlight Wiring Diagram - Yarn Aid

2000 Chevy Silverado 1500 Headlight Wiring Diagram - Yarn Aid yarn-aid.blogspot.com

[DIAGRAM] 1995 Chevy 1500 Headlight Wiring Diagram - MYDIAGRAM.ONLINE

[DIAGRAM] 1995 Chevy 1500 Headlight Wiring Diagram - MYDIAGRAM.ONLINE mydiagram.online

Chevy Silverado Headlight Wiring Diagram / 2001 Chevy Silverado

Chevy Silverado Headlight Wiring Diagram / 2001 Chevy Silverado rajuyolo08.blogspot.com

fuse pump silverado wiring gmc sierra headlight 2carpros fuses z71 diagrams relay justanswer

2002 Chevy Silverado Headlight Wiring Diagram / My Husband Is At His

2002 Chevy Silverado Headlight Wiring Diagram / My Husband Is At His lookiubi.blogspot.com

wiring headlight silverado chevy gmc 2carpros headlights tahoe chevrolet

2000 Chevy Silverado 1500 Wiring Diagram » Wiring Diagram

2000 Chevy Silverado 1500 Wiring Diagram » Wiring Diagram www.wiringview.com

The Ultimate Guide To Silverado Stereo Wiring: A Detailed Diagram

The Ultimate Guide to Silverado Stereo Wiring: A Detailed Diagram wiringall.com

2000 Chevy Silverado 1500: A Overhead Console..wire Harness..ground

2000 chevy Silverado 1500: a overhead console..wire harness..ground www.justanswer.com

2000 silverado wiring chevy 1500 harness ground chevrolet overhead wire console pickup diagram justanswer 2008 problems trailer do collection cargo

2000 Chevrolet Silverado 1500 Wiring Diagram

2000 Chevrolet Silverado 1500 Wiring Diagram www.circuitdiagram.co

2000 Chevy Silverado 1500 Radio Wiring Diagram | Prosecution2012

2000 Chevy Silverado 1500 Radio Wiring Diagram | prosecution2012 www.prosecution2012.com

Aftermarket 2000 chevy silverado 1500 headlights custom led headlights. 2002 chevy silverado headlight wiring diagram / my husband is at his. 2000 chevy silverado 1500 headlight wiring diagram