Web Analytics Made Easy - Statcounter

1987 Ford F150 Ignition Wiring Diagram: Fix Your Truck's Electrical System! 1987 ford f150 ignition wiring diagram

If you are looking for 1987 Ford F150 Wiring Diagram 1987 Ford F150 Wiring Diagram » Wiring you've came to the right page. We have 25 Pics about 1987 Ford F150 Wiring Diagram 1987 Ford F150 Wiring Diagram » Wiring like The Complete Guide to the 1987 Ford F150 Wiring Diagram: Understand, 1987 Ford F150 Ignition Wiring Diagram Pics - Faceitsalon.com and also 1987 Ford F150 Ignition Wiring Diagram - smoochinspire. Here it is:

1987 Ford F150 Wiring Diagram 1987 Ford F150 Wiring Diagram » Wiring

1987 Ford F150 Wiring Diagram 1987 Ford F150 Wiring Diagram » Wiring www.wiringname.com

1987 Ford F150 Wiring Diagram 1987 Ford F150 Wiring Diagram » Wiring ...

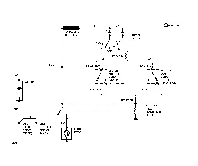
1988 Ford F150 Ignition Wiring Diagram

1988 Ford F150 Ignition Wiring Diagram www.circuitdiagram.co

1988 Ford F150 Ignition Wiring Diagram

1987 Ford F150 Ignition Wiring Diagram - Wiring Diagram

1987 Ford F150 Ignition Wiring Diagram - Wiring Diagram wiringdiagram.2bitboer.com

1987 Ford F150 Ignition Wiring Diagram - Wiring Diagram

The Complete Guide To The 1987 Ford F150 Ignition Wiring Diagram

The Complete Guide to the 1987 Ford F150 Ignition Wiring Diagram axiom-northwest.com

The Complete Guide to the 1987 Ford F150 Ignition Wiring Diagram

1997 Ford F150 Wiring Schematic - Wiring Diagram

1997 Ford F150 Wiring Schematic - Wiring Diagram wiringdiagram.2bitboer.com

1997 Ford F150 Wiring Schematic - Wiring Diagram

1987 Ford F150 Wiring Diagram

1987 ford f150 wiring diagram partsdiagram.netlify.app

1987 ford f150 wiring diagram

1987 Ford F150 Wiring Schematic - Wiring Diagram And Schematic

1987 Ford F150 Wiring Schematic - Wiring Diagram and Schematic wiring.hpricorpcom.com

1987 Ford F150 Wiring Schematic - Wiring Diagram and Schematic

1987 Ford F150 Ignition Wiring Diagram

1987 Ford F150 Ignition Wiring Diagram www.chanish.org

1987 Ford F150 Ignition Wiring Diagram

1987 Ford F150 Ignition Wiring Diagram - Smoochinspire

1987 Ford F150 Ignition Wiring Diagram - smoochinspire smoochinspire.blogspot.com

1987 Ford F150 Ignition Wiring Diagram - smoochinspire

1987 Ford F150 Ignition Wiring Diagram - Smoochinspire

1987 Ford F150 Ignition Wiring Diagram - smoochinspire smoochinspire.blogspot.com

1987 Ford F150 Ignition Wiring Diagram - smoochinspire

1987 Ford F150 Wiring Diagram

1987 ford f150 wiring diagram partsdiagram.netlify.app

1987 ford f150 wiring diagram

1987 Ford F150 Ignition Wiring Diagram - Smoochinspire

1987 Ford F150 Ignition Wiring Diagram - smoochinspire smoochinspire.blogspot.com

1987 Ford F150 Ignition Wiring Diagram - smoochinspire

The Complete Guide To The 1987 Ford F150 Ignition Wiring Diagram

The Complete Guide to the 1987 Ford F150 Ignition Wiring Diagram axiom-northwest.com

The Complete Guide to the 1987 Ford F150 Ignition Wiring Diagram

1987 Ford F150 Ignition Wiring Diagram

1987 Ford F150 Ignition Wiring Diagram www.chanish.org

1987 Ford F150 Ignition Wiring Diagram

1987 Ford F150 Ignition Wiring Diagram Pics - Faceitsalon.com

1987 Ford F150 Ignition Wiring Diagram Pics - Faceitsalon.com faceitsalon.com

1987 Ford F150 Ignition Wiring Diagram Pics - Faceitsalon.com

1987 Ford F150 Wiring Diagram

1987 Ford F150 Wiring Diagram stewart-switch.com

1987 Ford F150 Wiring Diagram

1987 Ford F150 Wiring Diagram Images - Faceitsalon.com

1987 Ford F150 Wiring Diagram Images - Faceitsalon.com faceitsalon.com

1987 Ford F150 Wiring Diagram Images - Faceitsalon.com

1987 Ford F150 Wiring Diagram

1987 Ford F150 Wiring Diagram stewart-switch.com

1987 Ford F150 Wiring Diagram

Wiring Diagram For 1987 Ford Truck - Ford Truck Enthusiasts Forums

Wiring diagram for 1987 Ford truck - Ford Truck Enthusiasts Forums www.ford-trucks.com

Wiring diagram for 1987 Ford truck - Ford Truck Enthusiasts Forums

1987 Ford F150 Wiring Diagram 1987 Ford F150 Wiring Diagram » Wiring

1987 Ford F150 Wiring Diagram 1987 Ford F150 Wiring Diagram » Wiring www.wiringname.com

1987 Ford F150 Wiring Diagram 1987 Ford F150 Wiring Diagram » Wiring ...

1987 Ford F150 Ignition Wiring Diagram - Smoochinspire

1987 Ford F150 Ignition Wiring Diagram - smoochinspire smoochinspire.blogspot.com

1987 Ford F150 Ignition Wiring Diagram - smoochinspire

1987 Ford F150 Ignition Wiring Diagram - Circuit Diagram

1987 Ford F150 Ignition Wiring Diagram - Circuit Diagram www.circuitdiagram.co

1987 Ford F150 Ignition Wiring Diagram - Circuit Diagram

The Complete Guide To The 1987 Ford F150 Wiring Diagram: Understand

The Complete Guide to the 1987 Ford F150 Wiring Diagram: Understand autoctrls.com

The Complete Guide to the 1987 Ford F150 Wiring Diagram: Understand ...

1987 Ford F150 Ignition Wiring Diagram Collection

1987 Ford F150 Ignition Wiring Diagram Collection www.got2bwireless.com

1987 Ford F150 Ignition Wiring Diagram Collection

1987 Ford F150 Fuel Pump Wiring Diagram

1987 Ford F150 Fuel Pump Wiring Diagram enginelistatnonesuches.z14.web.core.windows.net

1987 Ford F150 Fuel Pump Wiring Diagram

1987 ford f150 ignition wiring diagram. 1987 ford f150 ignition wiring diagram. 1987 ford f150 wiring schematic