Web Analytics Made Easy - Statcounter

03 Ford Escape Wiring Diagram: Solve Electrical Problems Fast Visual guide to ford escape parts

If you are searching about 03 Ford Escape Wiring Diagram - diagram waktu you've came to the right place. We have 25 Pics about 03 Ford Escape Wiring Diagram - diagram waktu like 03 Ford Escape Wiring Diagram - Uploadler, FORD Escape 2001-2018 Workshop Manual & Electrical Wiring Diagram and also 03 Ford Escape Wiring Diagram - diagram waktu. Read more:

03 Ford Escape Wiring Diagram - Diagram Waktu

03 Ford Escape Wiring Diagram - diagram waktu diagramwaktuu.blogspot.com

wiring

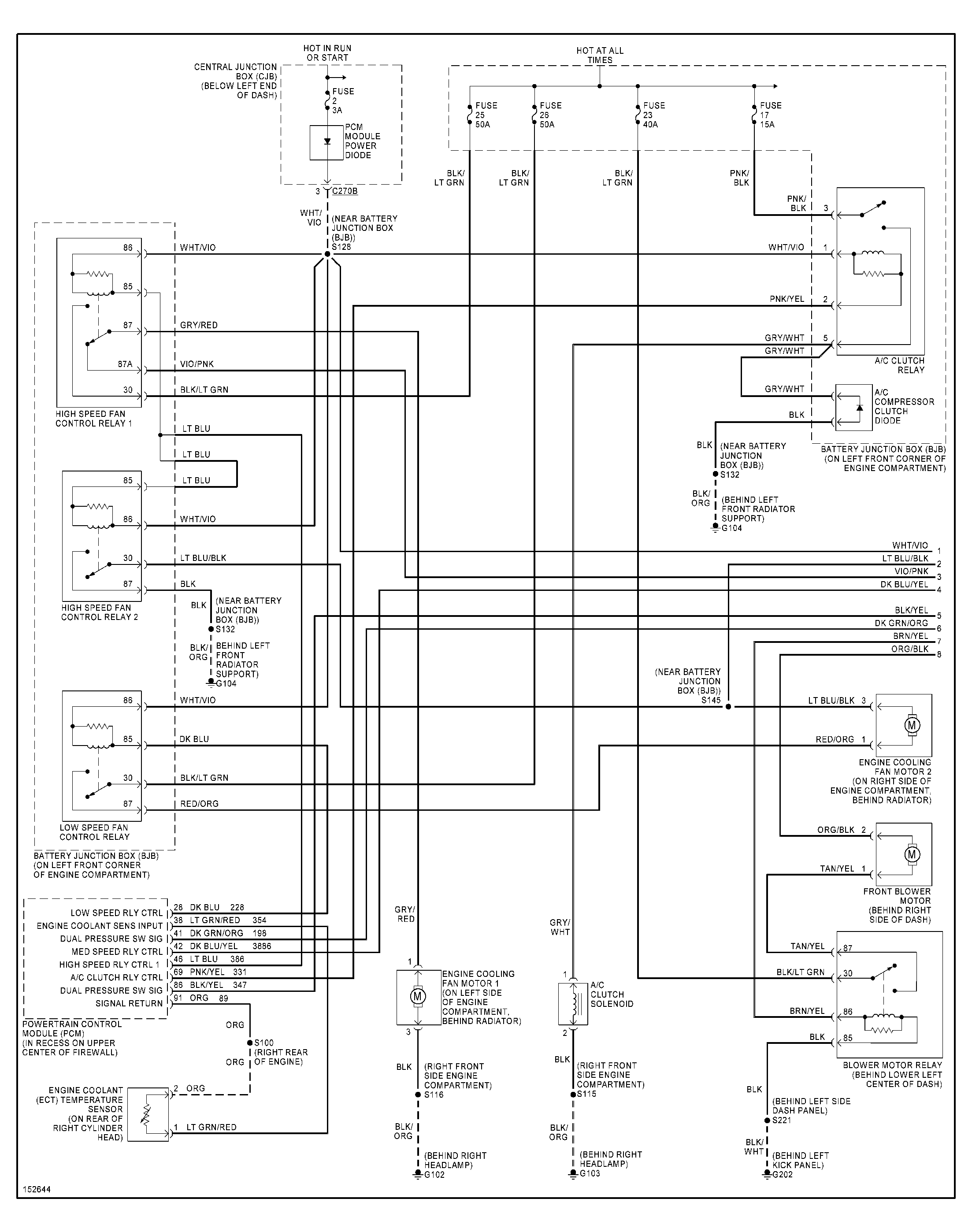
Ford Escape Pcm Wiring Diagram - Wiring Diagram

Ford Escape Pcm Wiring Diagram - Wiring Diagram wiringdiagram.2bitboer.com

pcm escape ford wiring

Understanding The Wiring Diagram For The 2011 Ford Escape

Understanding the Wiring Diagram for the 2011 Ford Escape schempro.com

Unraveling The Wiring Of Ford Escape Stereo: Ultimate Diagram Inside!

Unraveling the Wiring of Ford Escape Stereo: Ultimate Diagram Inside! elecdiags.com

2011 Ford Escape Wiring Diagram : I Have An Escape 2006 That The Cruise

2011 Ford Escape Wiring Diagram : I have an escape 2006 that the cruise tacoma-wiring-diagram.blogspot.com

Ford Escape 2019 Electrical Wiring Diagram

Ford Escape 2019 Electrical Wiring Diagram autoepcservice.com

FORD Escape 2001-2018 Workshop Manual & Electrical Wiring Diagram

FORD Escape 2001-2018 Workshop Manual & Electrical Wiring Diagram autoepcservice.com

Ford Escape 2017 Electrical Wiring Diagram – ManualPost – Instant

Ford Escape 2017 Electrical Wiring Diagram – ManualPost – Instant manualpost.com

Visual Guide To Ford Escape Parts

Visual Guide to Ford Escape Parts carschematics.com

Car Wiring Diagram Ford Escape - Wiring Diagram

Car Wiring Diagram Ford Escape - Wiring Diagram www.wiringtrust.com

Ford Escape Electrical Diagram

Ford Escape Electrical Diagram mungfali.com

[DIAGRAM] 04 Ford Escape Electrical Wiring Diagrams - WIRINGSCHEMA.COM

[DIAGRAM] 04 Ford Escape Electrical Wiring Diagrams - WIRINGSCHEMA.COM wiringschema.com

The Complete Guide To Understanding The 2011 Ford Escape Wiring Diagram

The Complete Guide to Understanding the 2011 Ford Escape Wiring Diagram kdi-ppi.com

Wiring Diagram For 2002 Ford Escape

Wiring diagram for 2002 Ford Escape fixitfrequency.com

03 Escape Reverse Wiring Diagram - Doearth

03 Escape Reverse Wiring Diagram - Doearth doearth86.blogspot.com

Decoding The Wiring Diagram Of The 2001 Ford Escape: A Comprehensive Guide

Decoding the Wiring Diagram of the 2001 Ford Escape: A Comprehensive Guide electraschematics.com

The Complete Guide To Understanding The 2011 Ford Escape Wiring Diagram

The Complete Guide to Understanding the 2011 Ford Escape Wiring Diagram kdi-ppi.com

Car Wiring Diagram Ford Escape - Wiring Flow Schema

Car Wiring Diagram Ford Escape - Wiring Flow Schema www.flowschema.com

Ford Escape 2018 Electrical Wiring Diagram

Ford Escape 2018 Electrical Wiring Diagram autoepcservice.com

Car Wiring Diagram Ford Escape - Wiring Flow Schema

Car Wiring Diagram Ford Escape - Wiring Flow Schema www.flowschema.com

Effortlessly Navigate The 2008 Ford Escape Wiring Diagram

Effortlessly Navigate the 2008 Ford Escape Wiring Diagram diagramio.com

2010 Ford Escape Wiring Diagram Pdf - Wiring Boards

2010 Ford Escape Wiring Diagram Pdf - Wiring Boards www.wiringboards.com

03 Ford Escape Wiring Diagram - Uploadler

03 Ford Escape Wiring Diagram - Uploadler uploadler87.blogspot.com

Escape Wiring Diagram

Escape Wiring Diagram schematiccntrylivinjhfxe.z21.web.core.windows.net

Unveiling The Intricate Wiring Schematic Of The 2007 Ford Escape

Unveiling the Intricate Wiring Schematic of the 2007 Ford Escape schempal.com

Ford escape pcm wiring diagram. [diagram] 04 ford escape electrical wiring diagrams. Ford escape 2001-2018 workshop manual & electrical wiring diagram